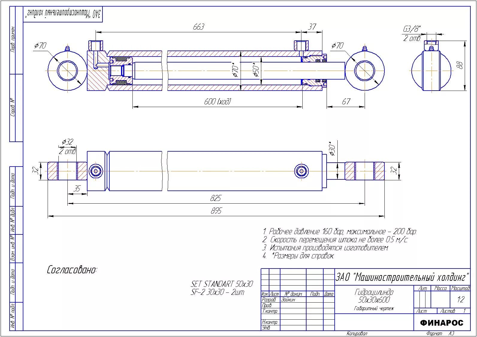
Назначение гидроцилиндра