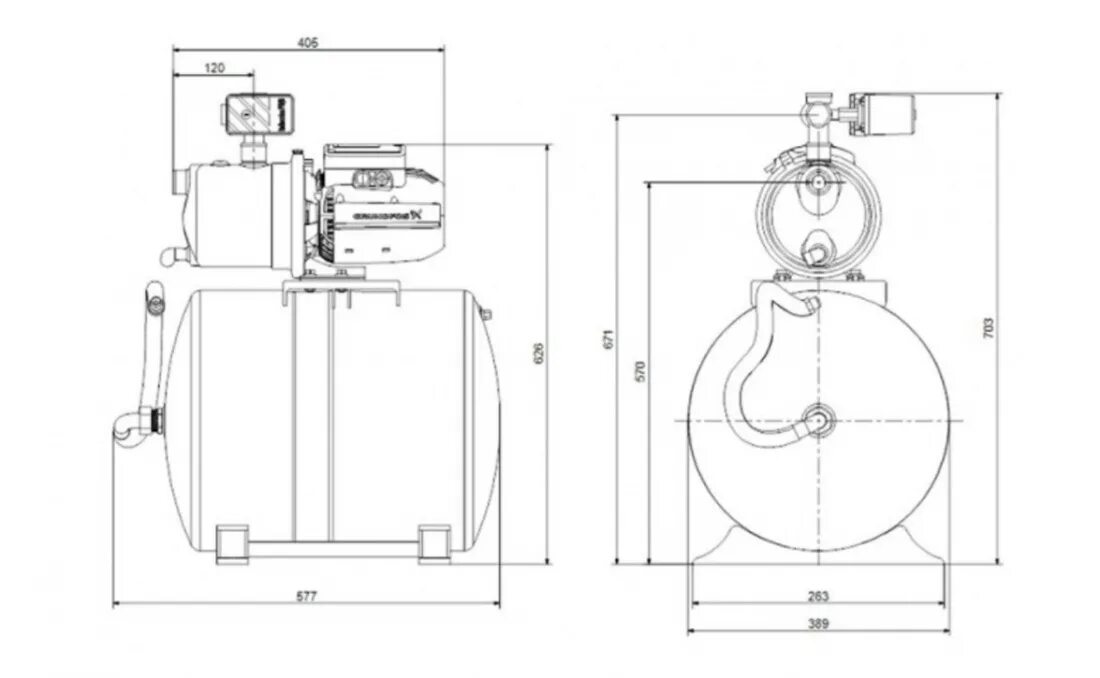
Насосная станция grundfos jp pt h