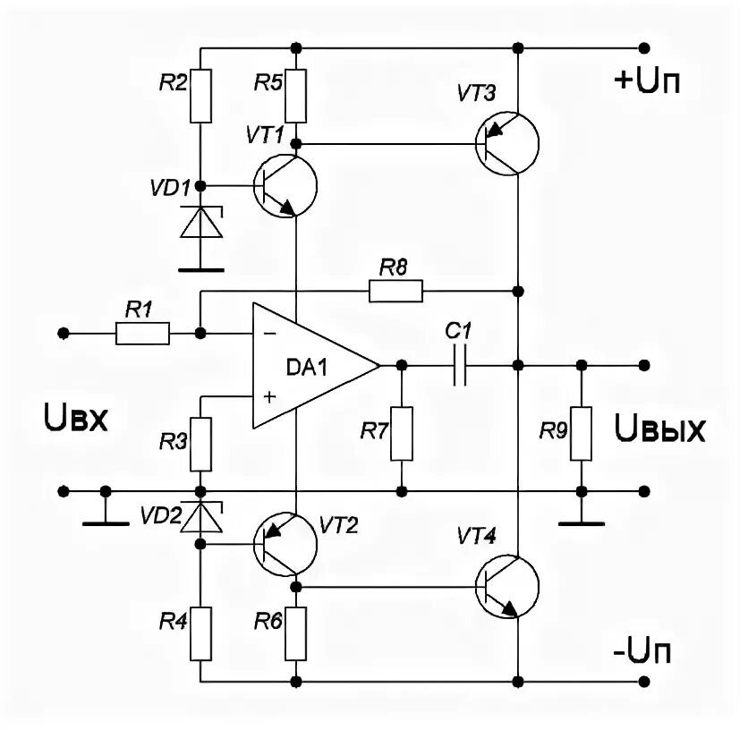
Напряжение питания операционного усилителя