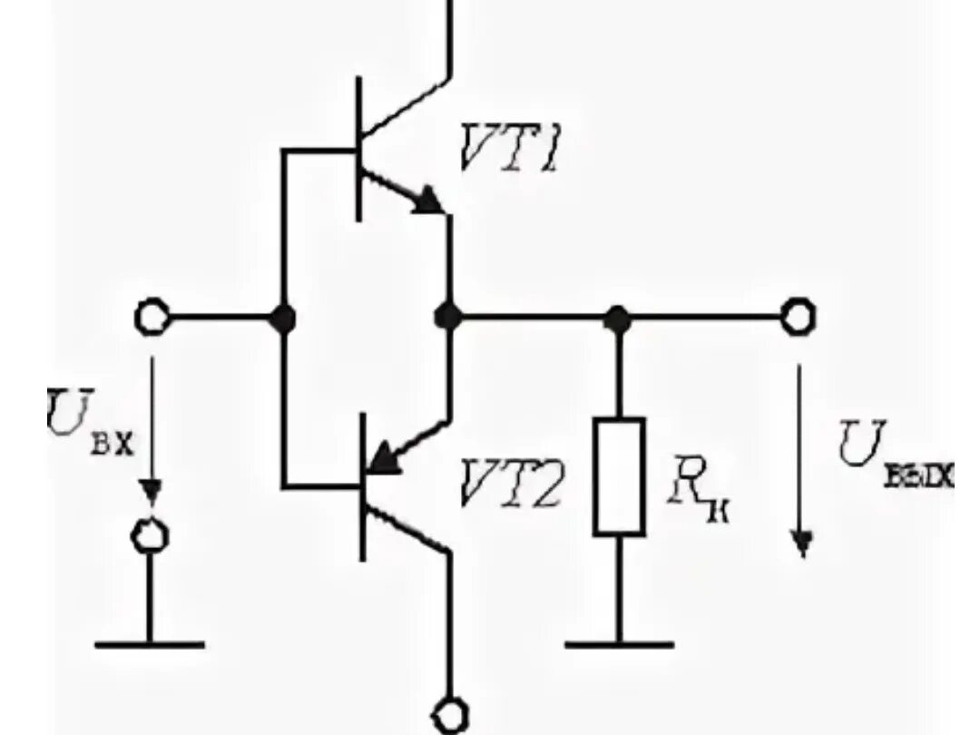
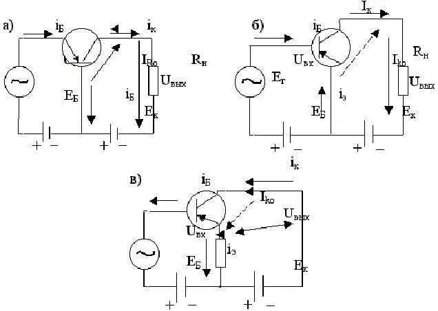
Напряжение на выходе транзистора