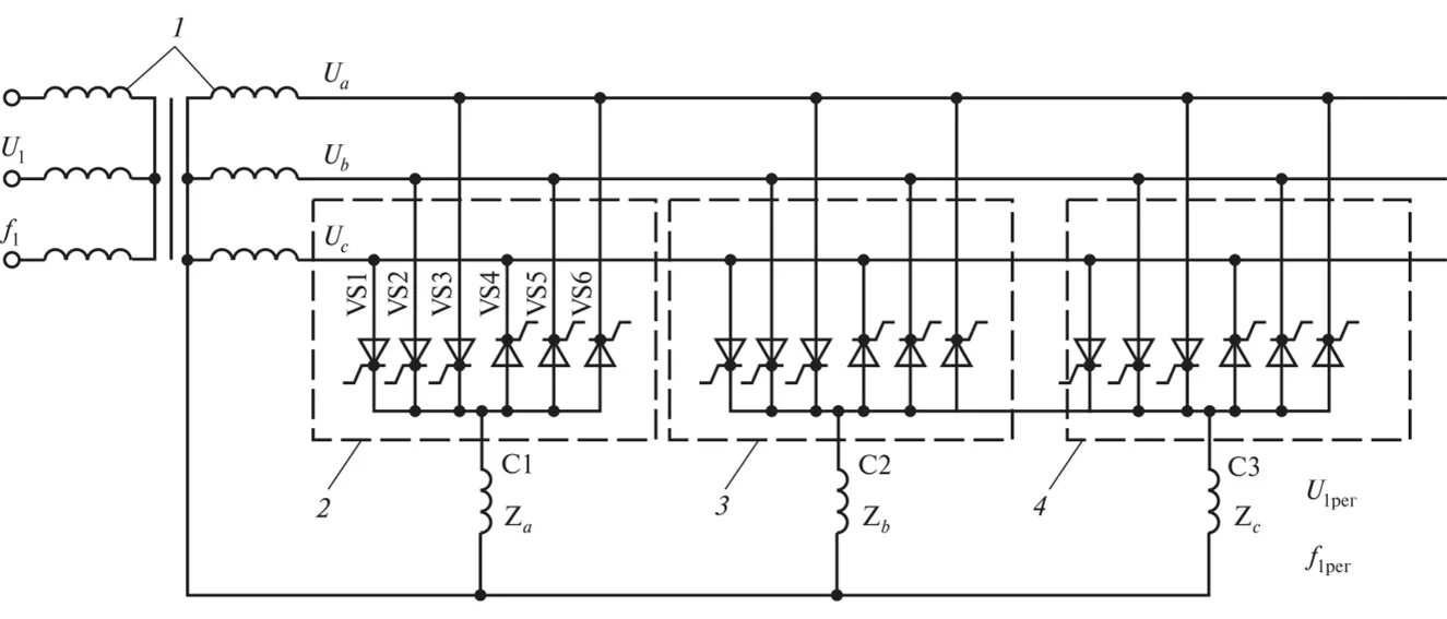
Напряжение на выходе инвертора