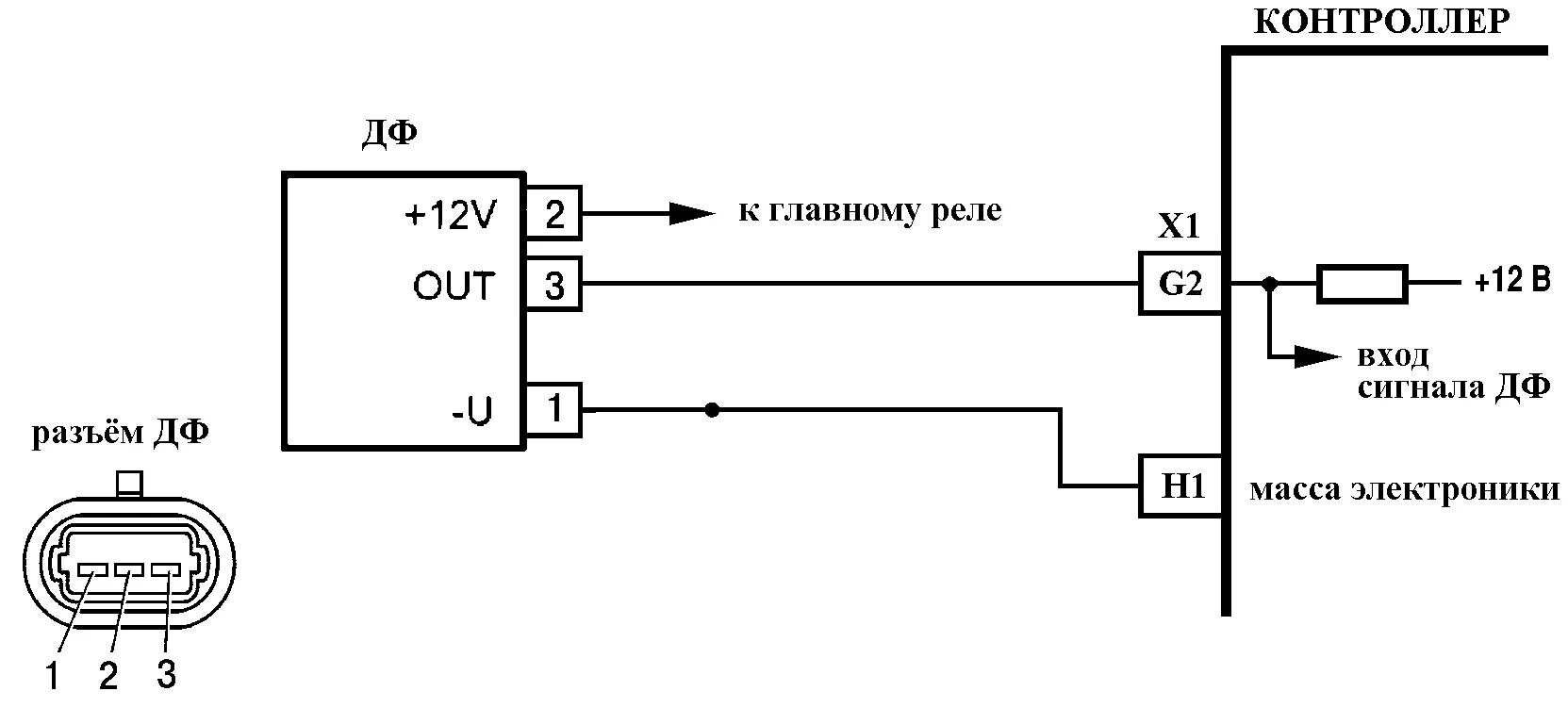
На что влияет датчик распредвала