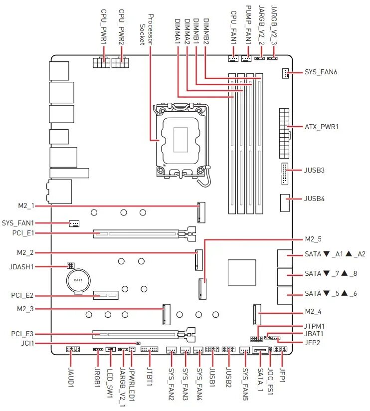
Msi z790 edge wifi