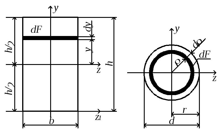
Момент инерции прямоугольника