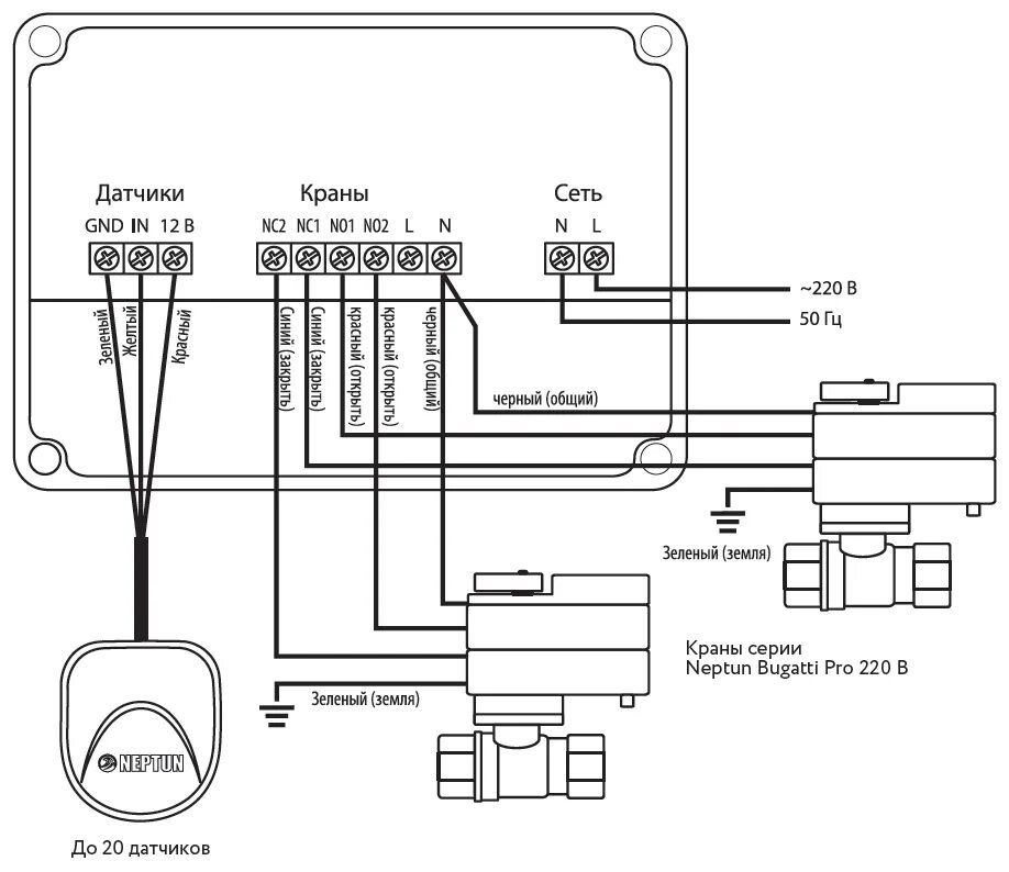
Модуль управления base