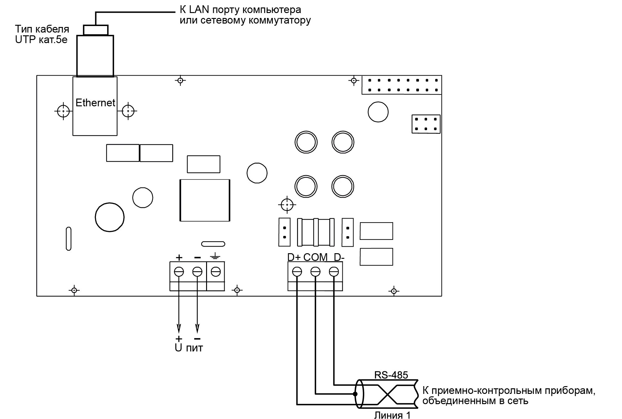
Модуль сопряжения мс e