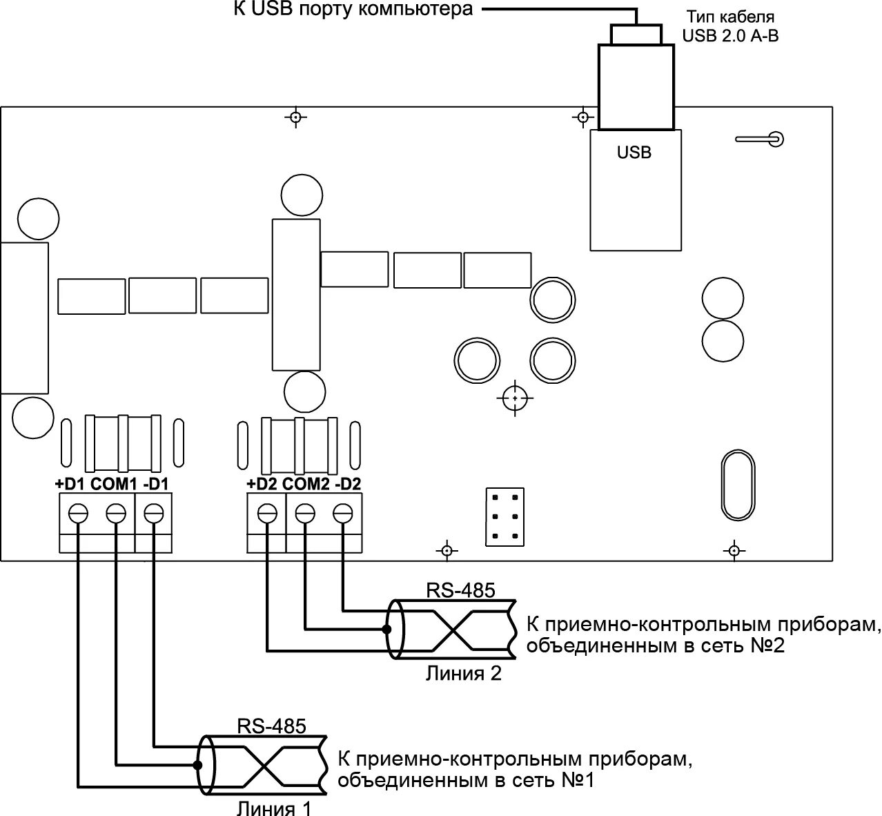
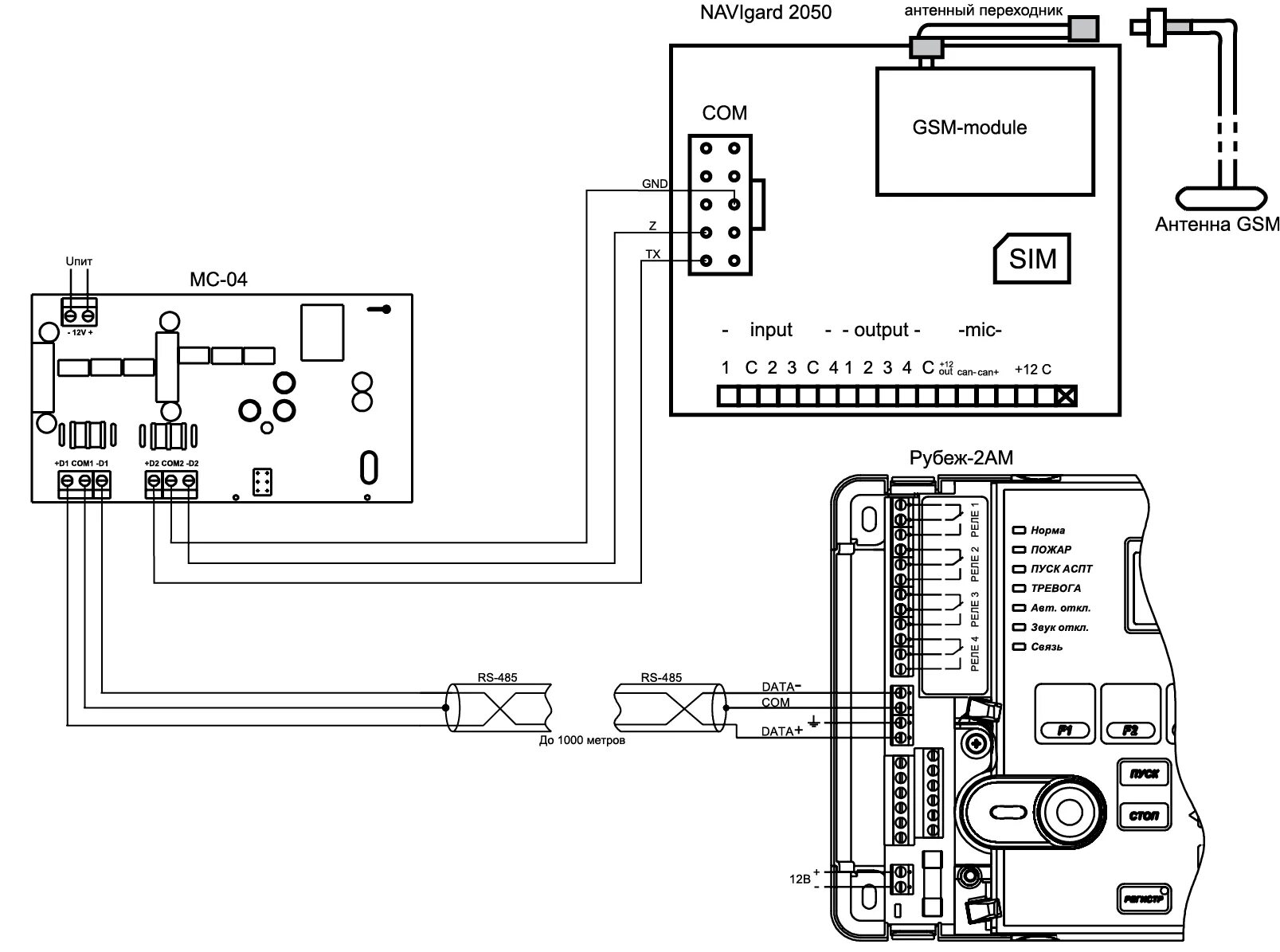
Модуль r3 mc