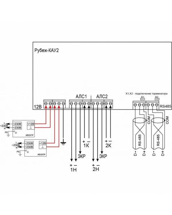
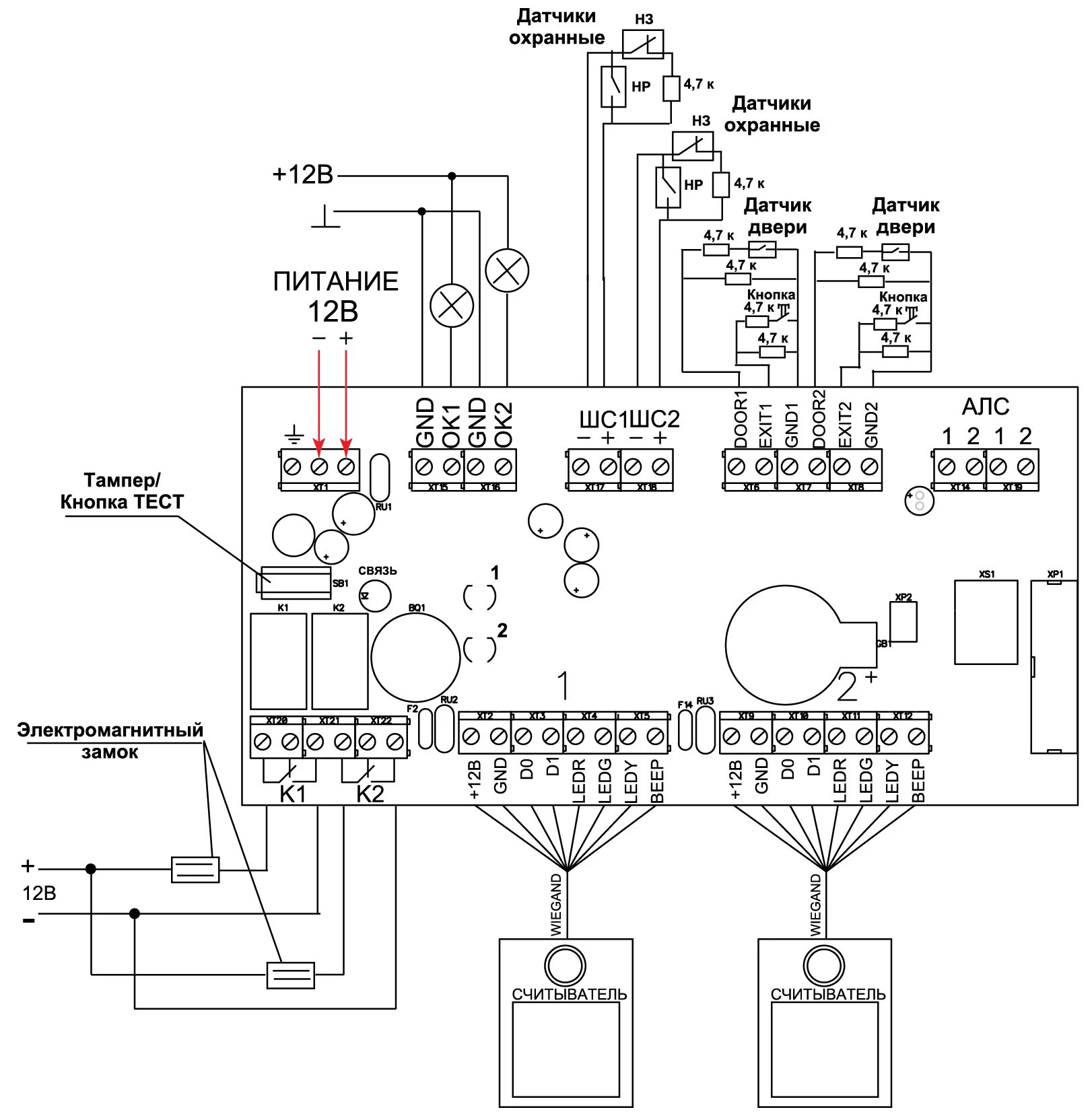
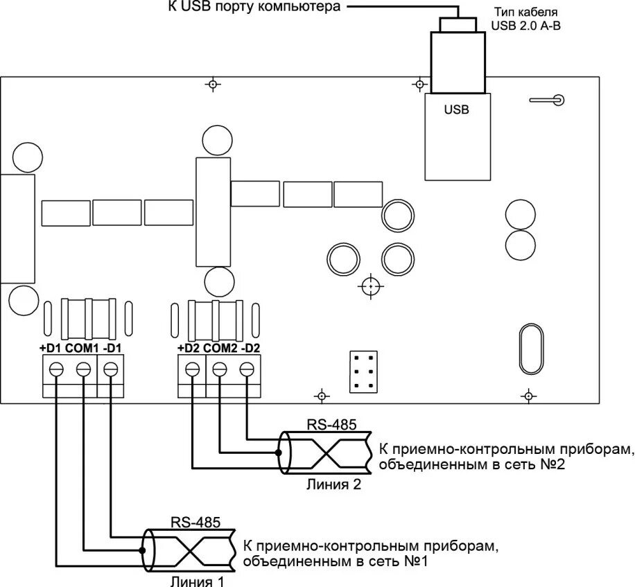
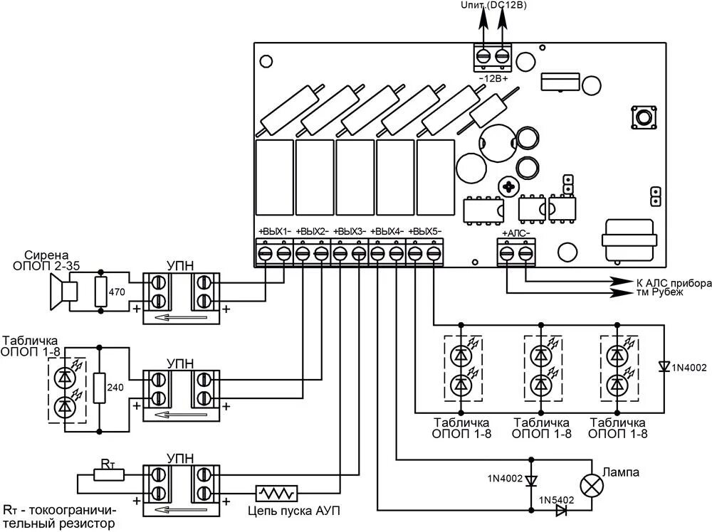
Модуль мкд 2