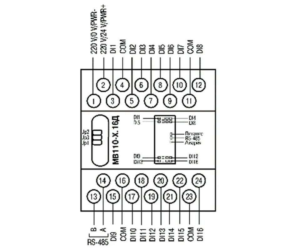
Модуль дискретного вывода овен