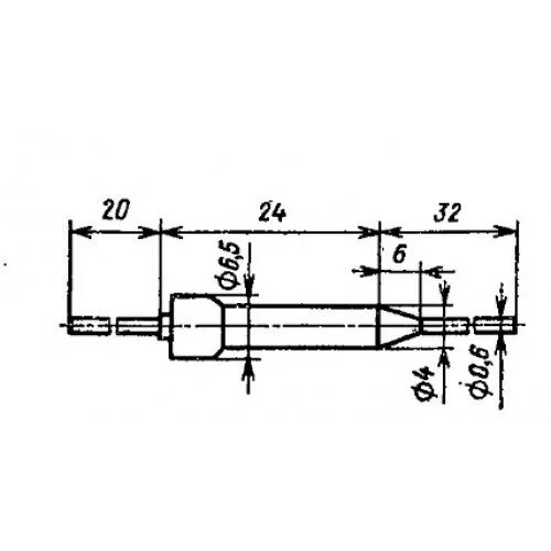
Ммт 4