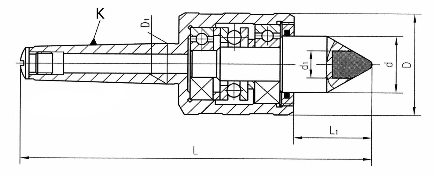
Мк 2 размеры