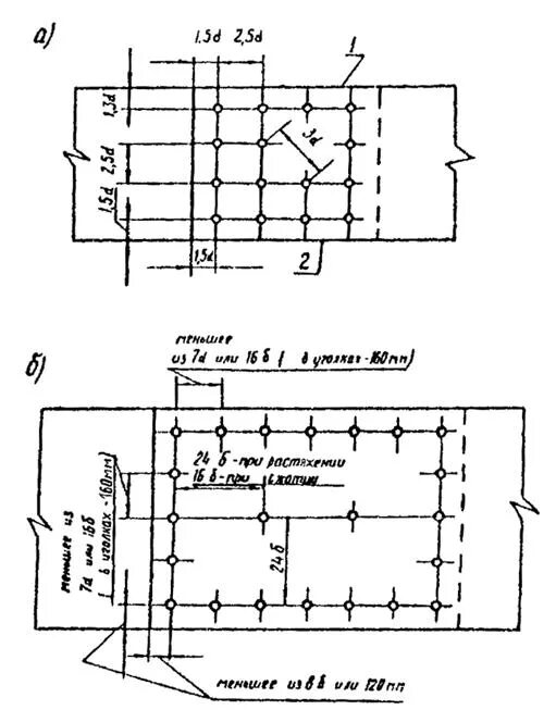
Минимальные расстояния отверстий от края