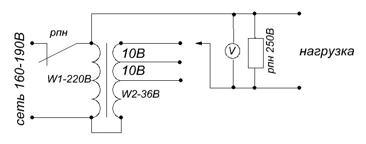
Минимальное напряжение в сети 220 вольт