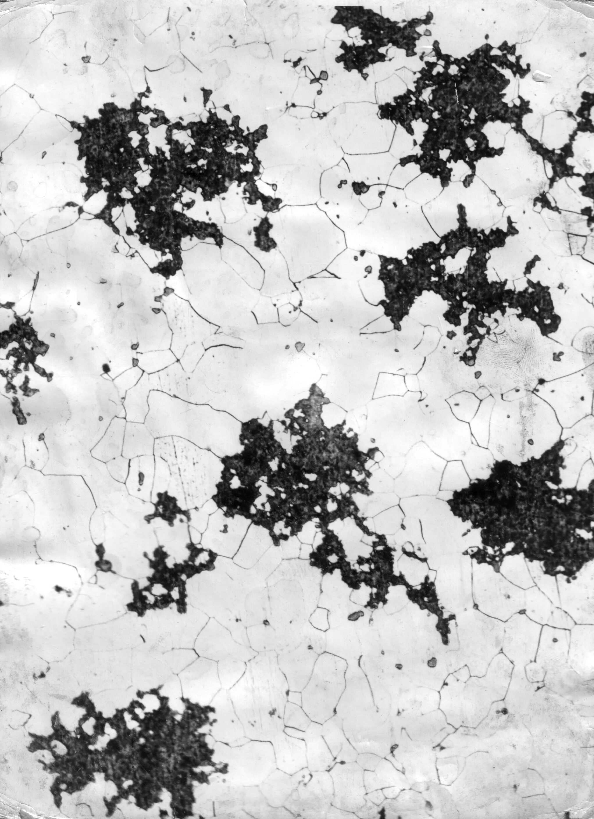
Микроструктура ковкого чугуна