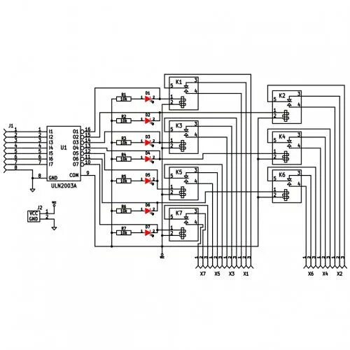
Микросхема uln2003a