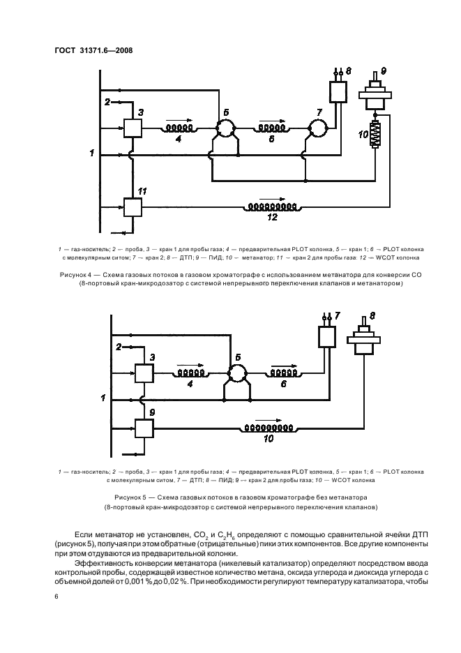
Метод определения состава газа