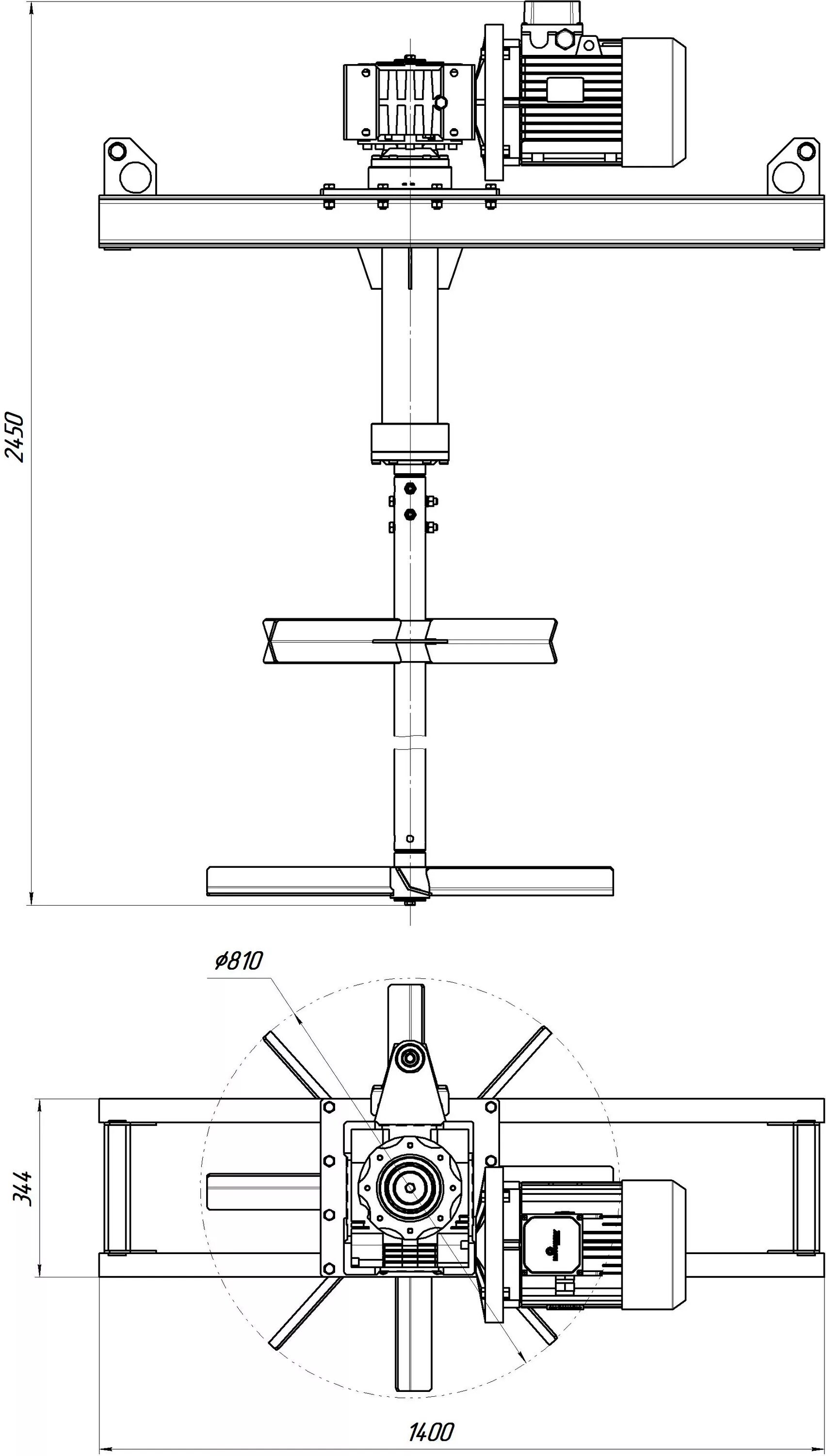
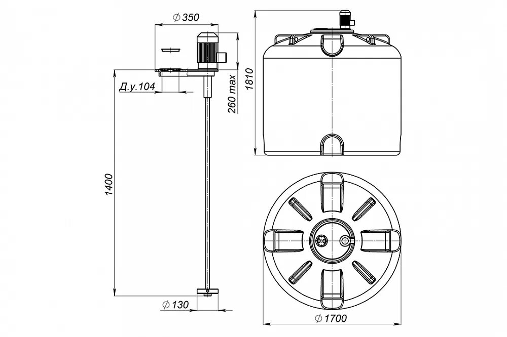
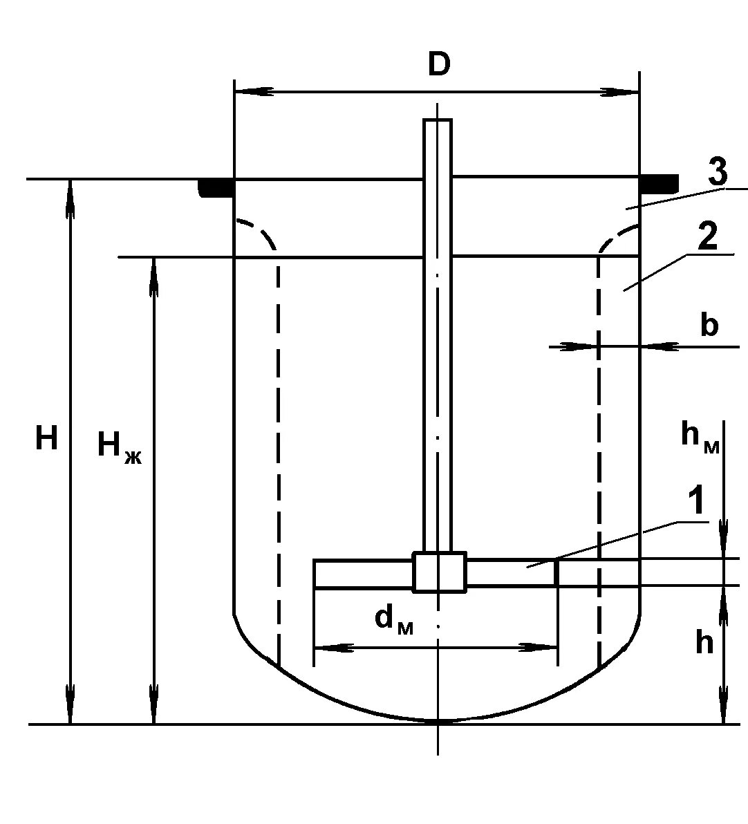
Мешалка размеры