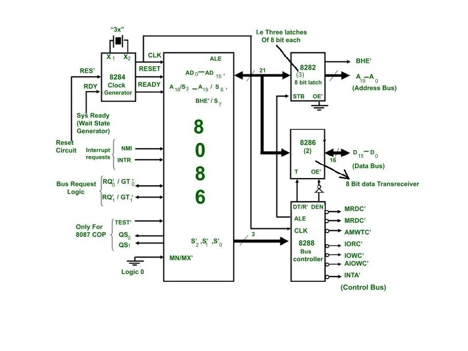
Maximum mode