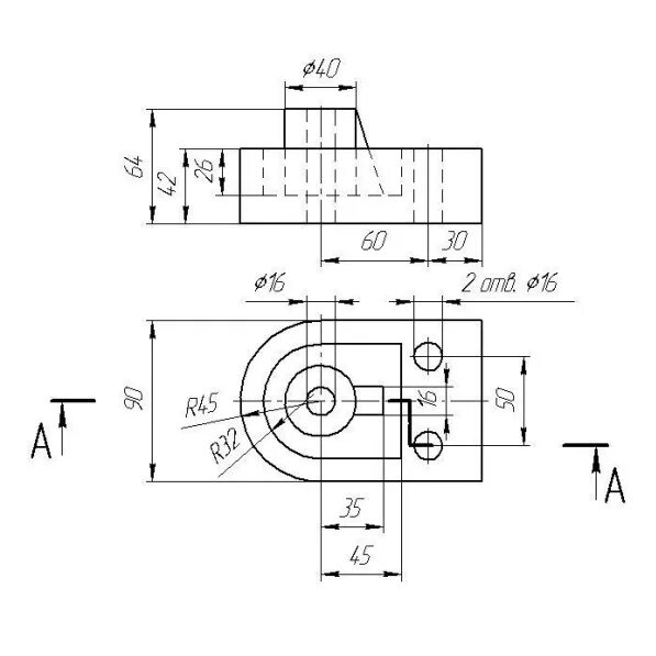
Масштаб разреза