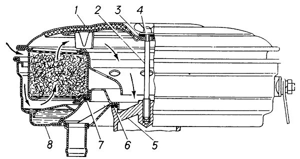
Масло в воздушном фильтре карбюратора