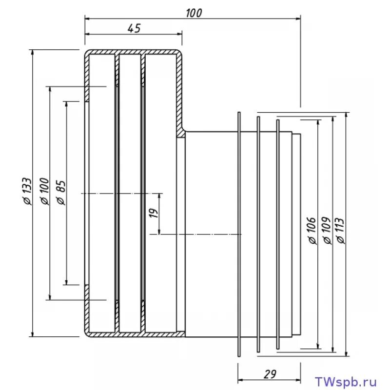
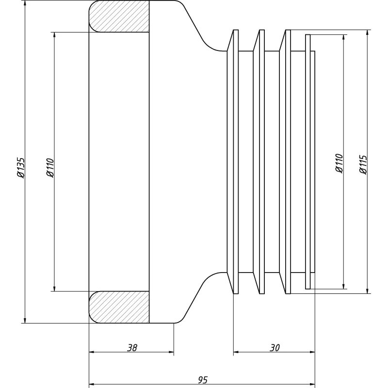
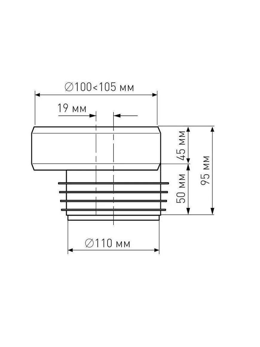
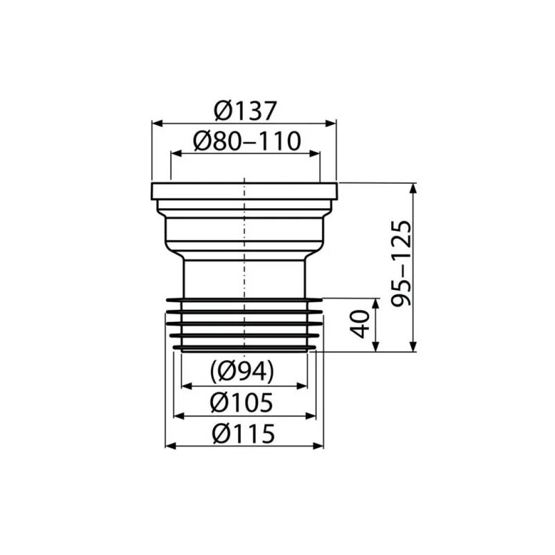
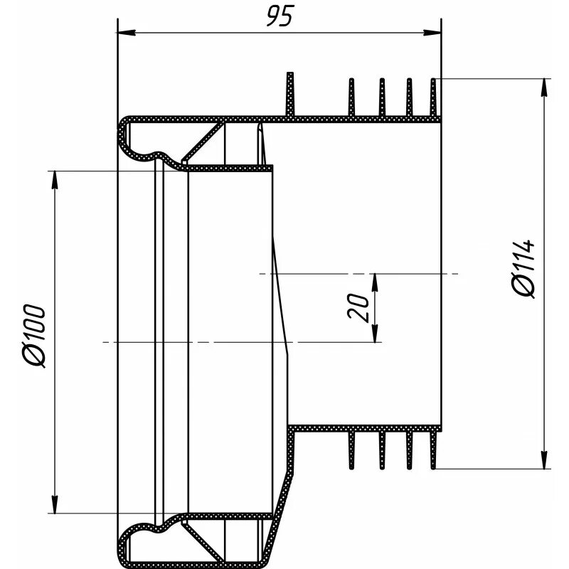
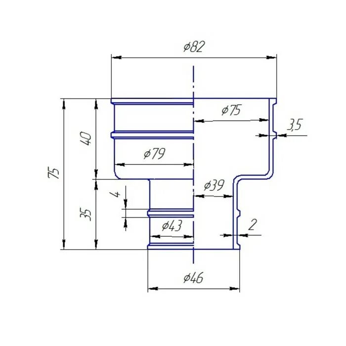
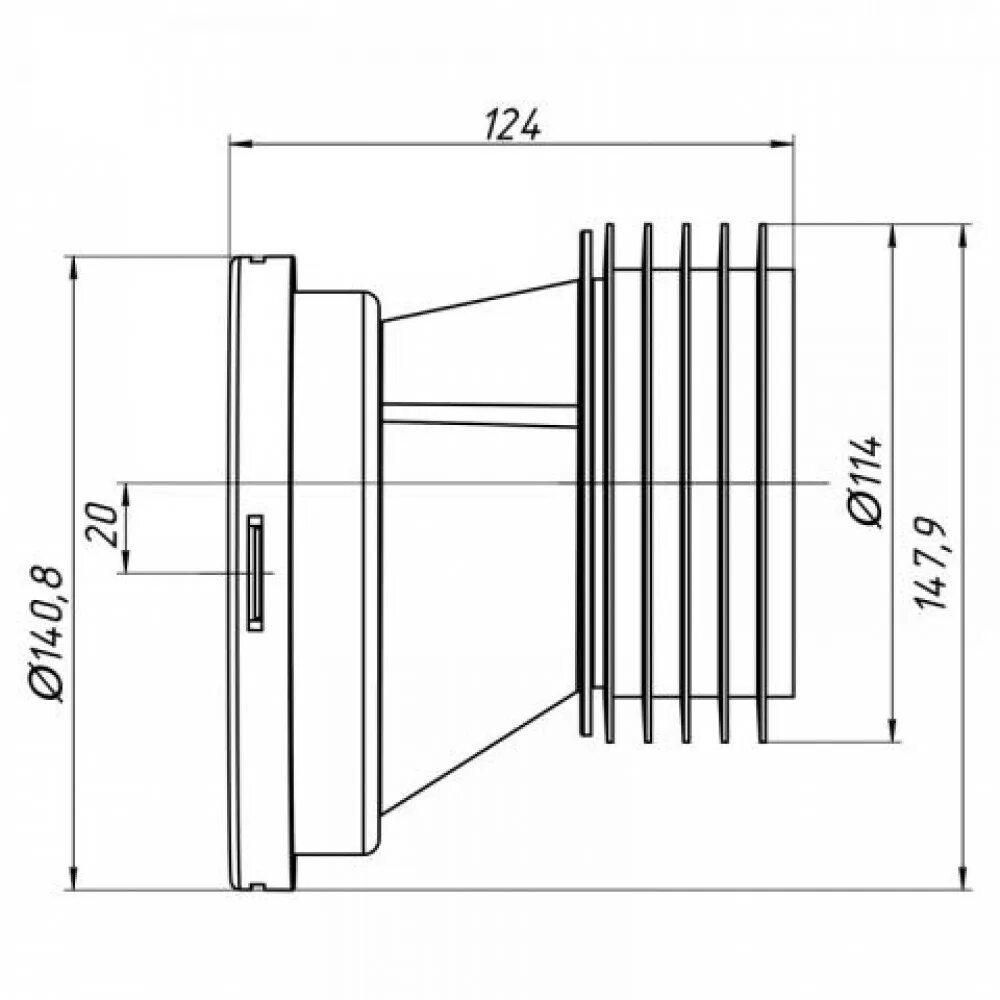
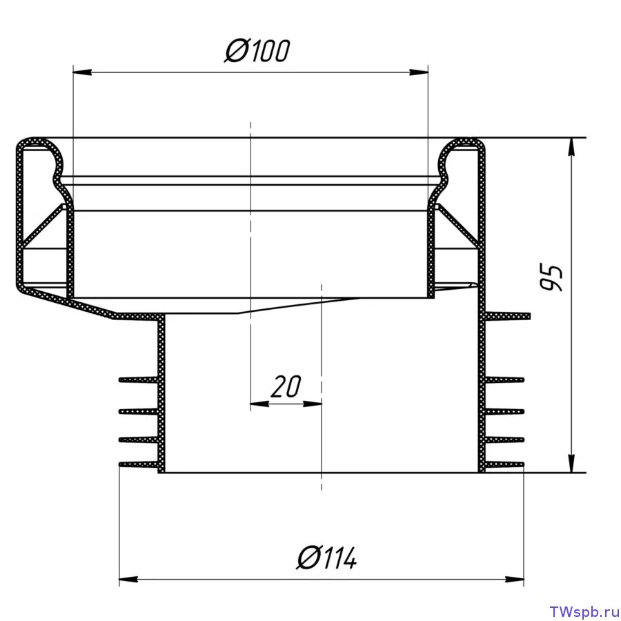
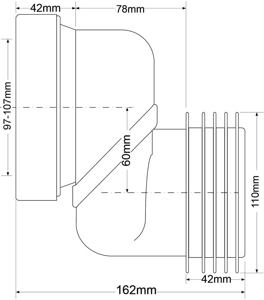
Манжета унитаза размеры