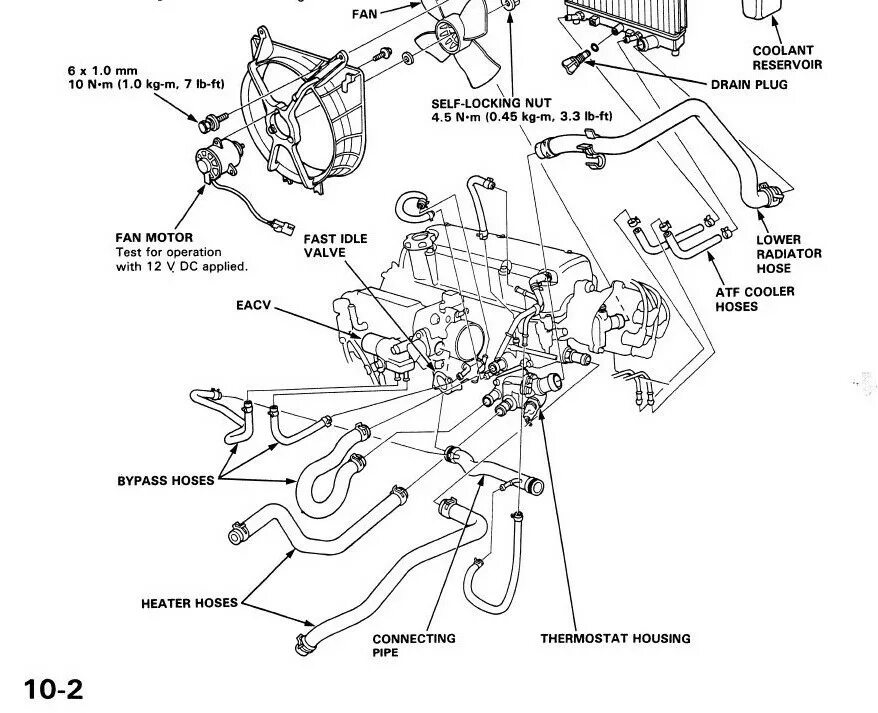
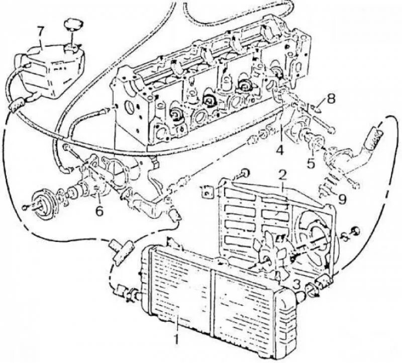
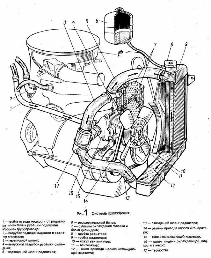
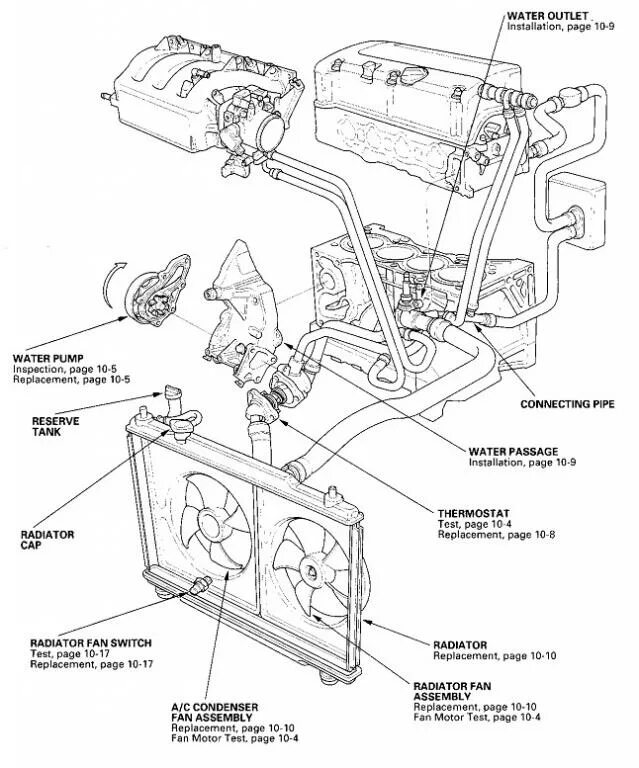
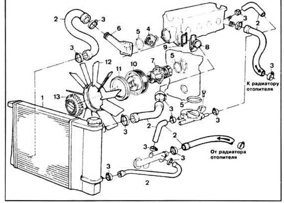
Мануал система охлаждения