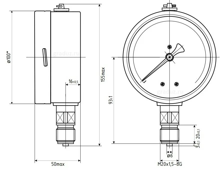
Манометр рш