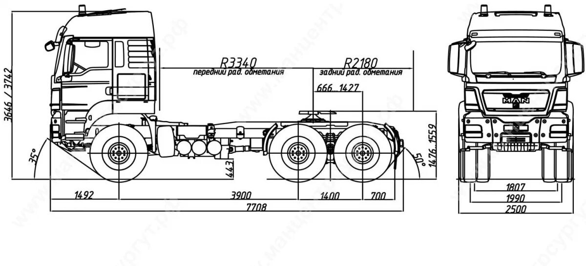
Man размеры