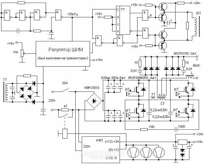
Максимальном токе в 200 а