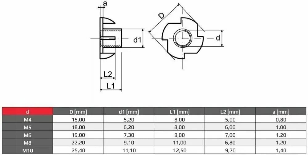
М 8 11 c