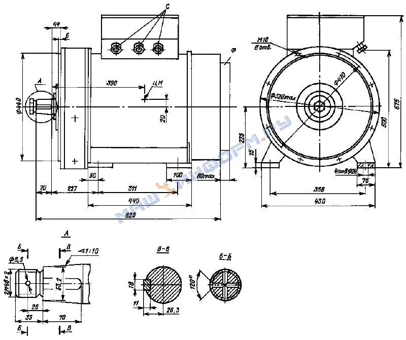
М 100 генератор