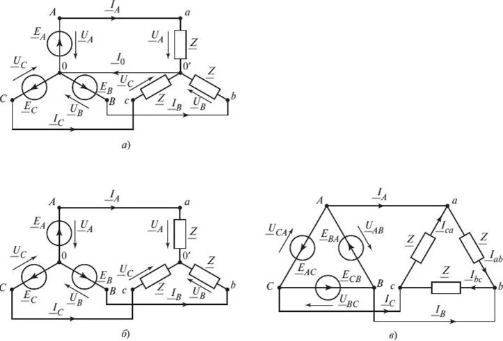
Линейные и фазные токи и напряжения