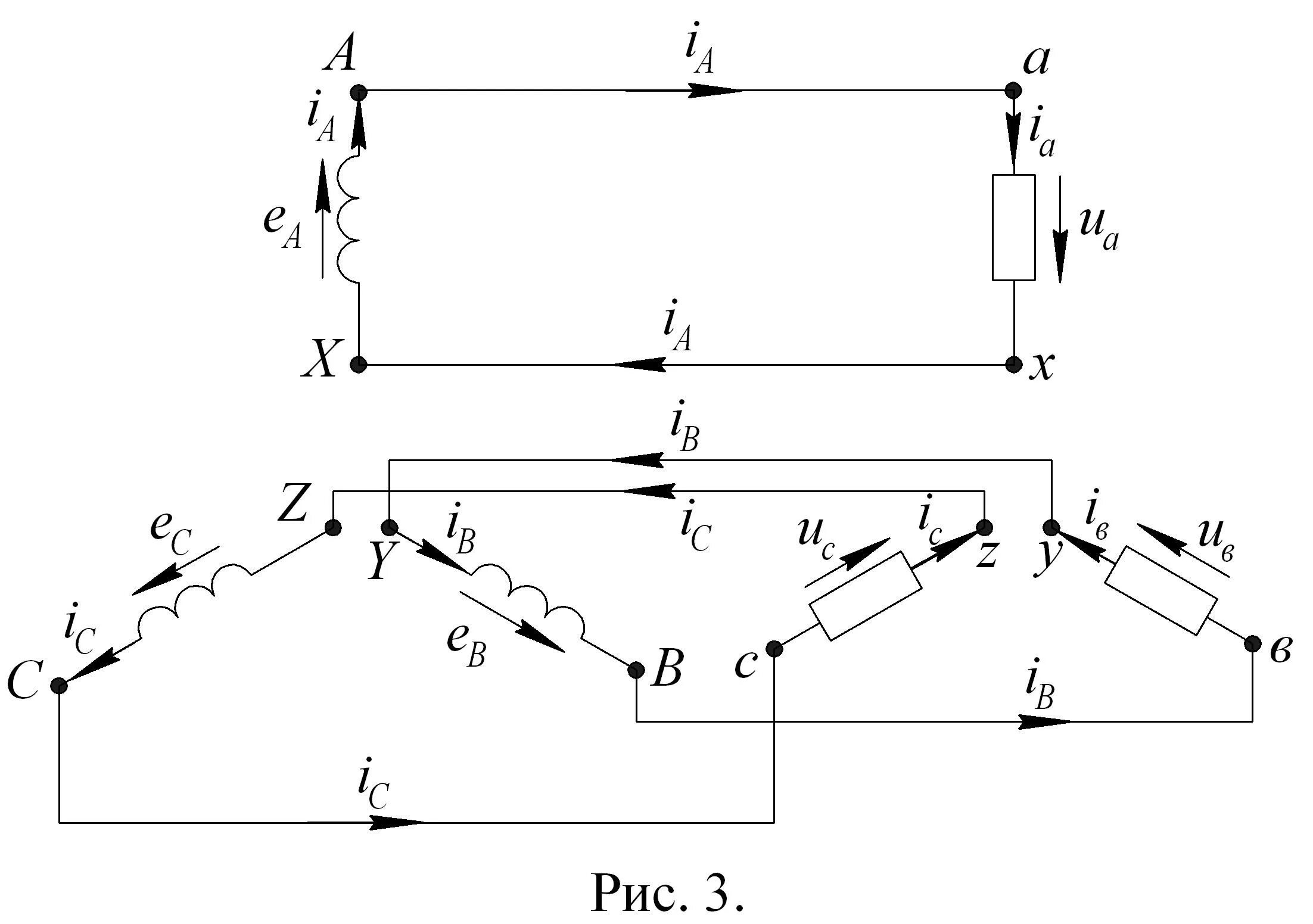
Линейное напряжение в звезде