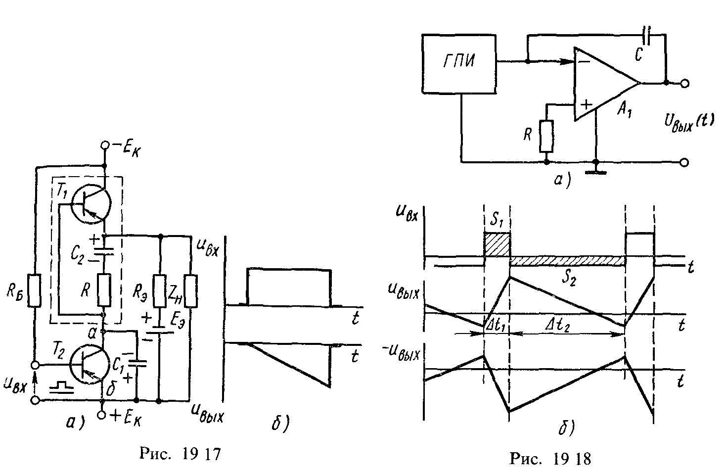
Линейно изменяющееся напряжение