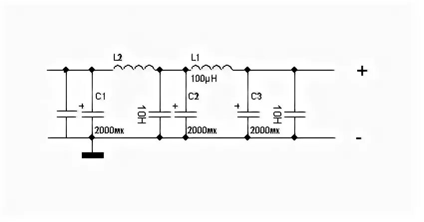
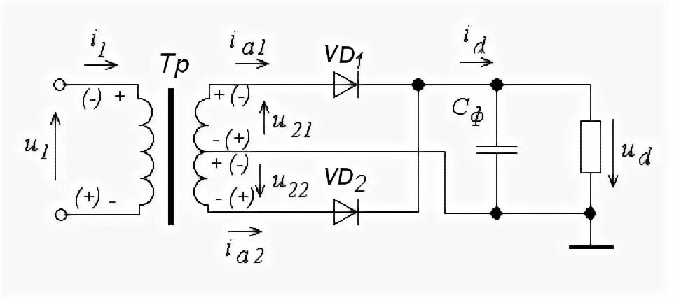
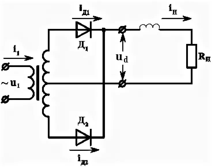
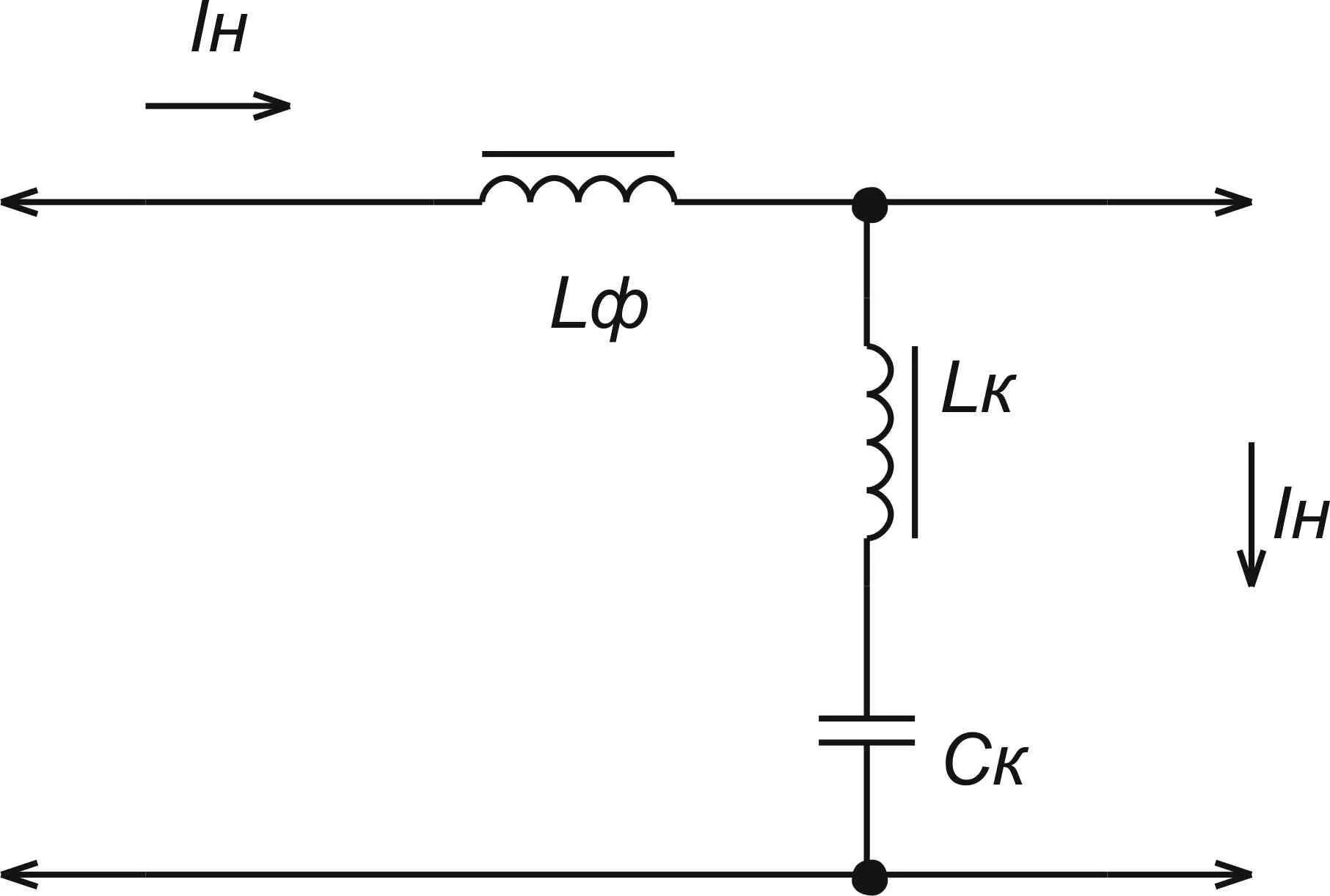
Lc фильтр выпрямитель