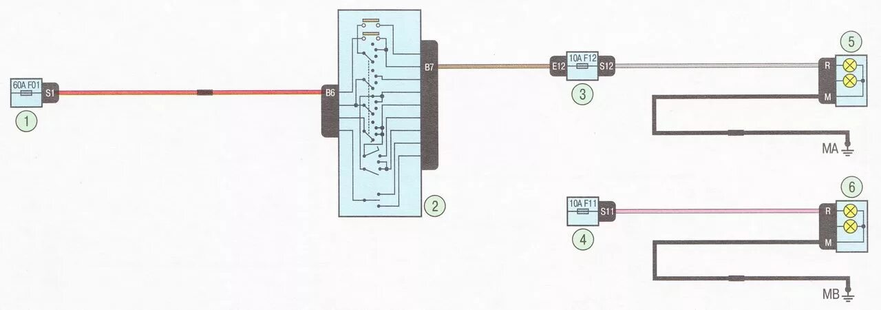
Ларгус не работает спидометр