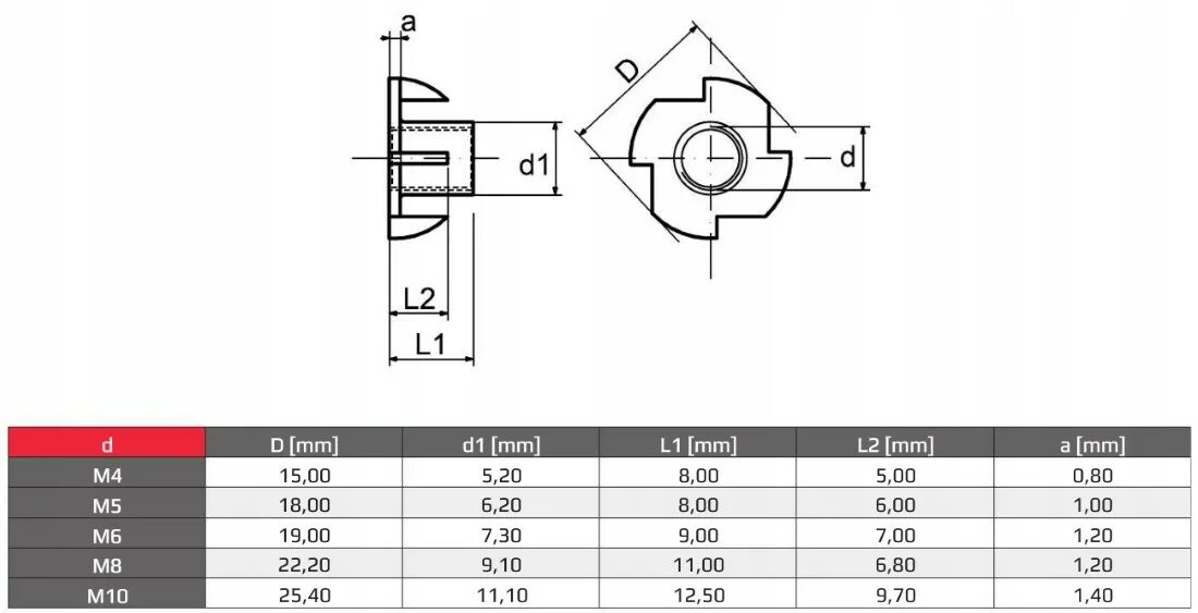
Л 5 8 размеры