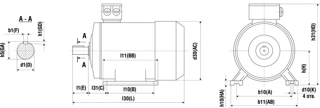
Л 2 8 2 размеры