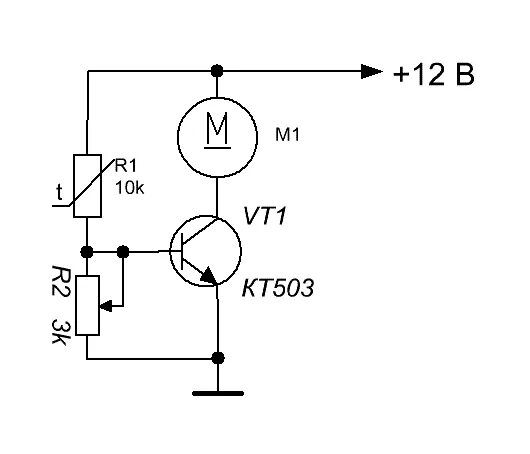
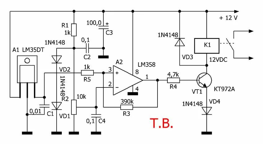
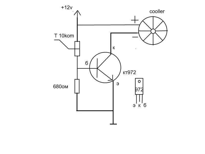
Кулер регулировка температуры