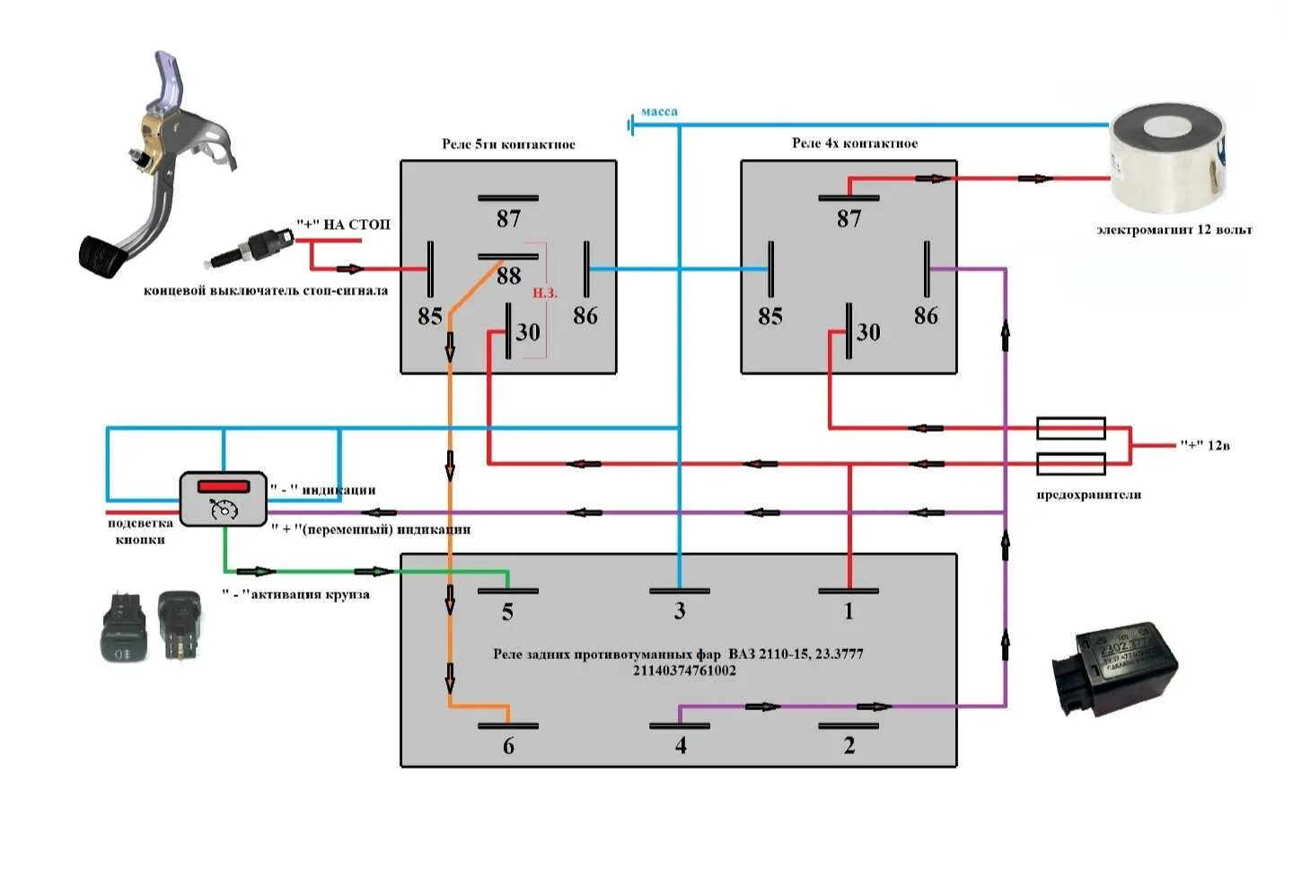
Круиз контроль принцип работы