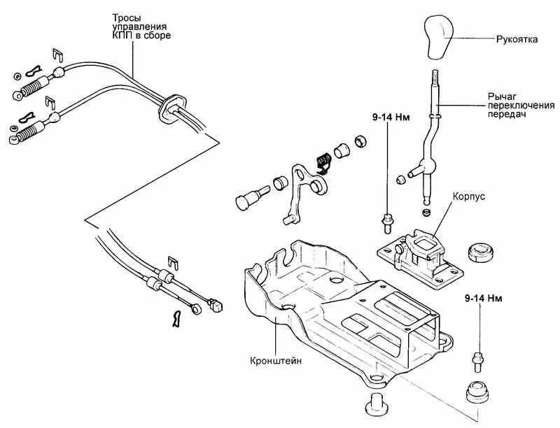
Крепление тросов переключения передач