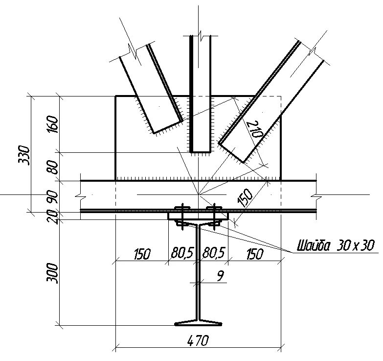
Крепление монорельса