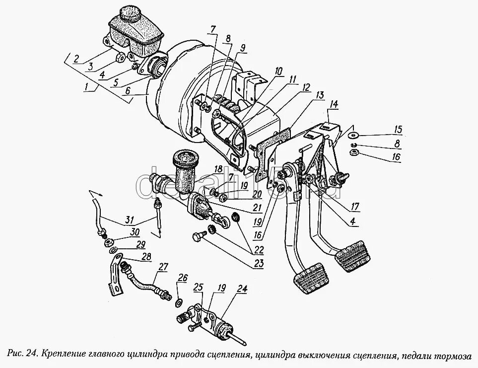
Крепление главного цилиндра сцепления