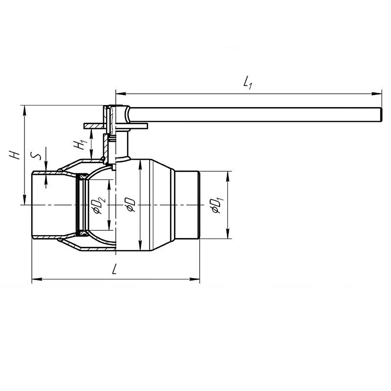
Кран шаровой стандартнопроходной 1