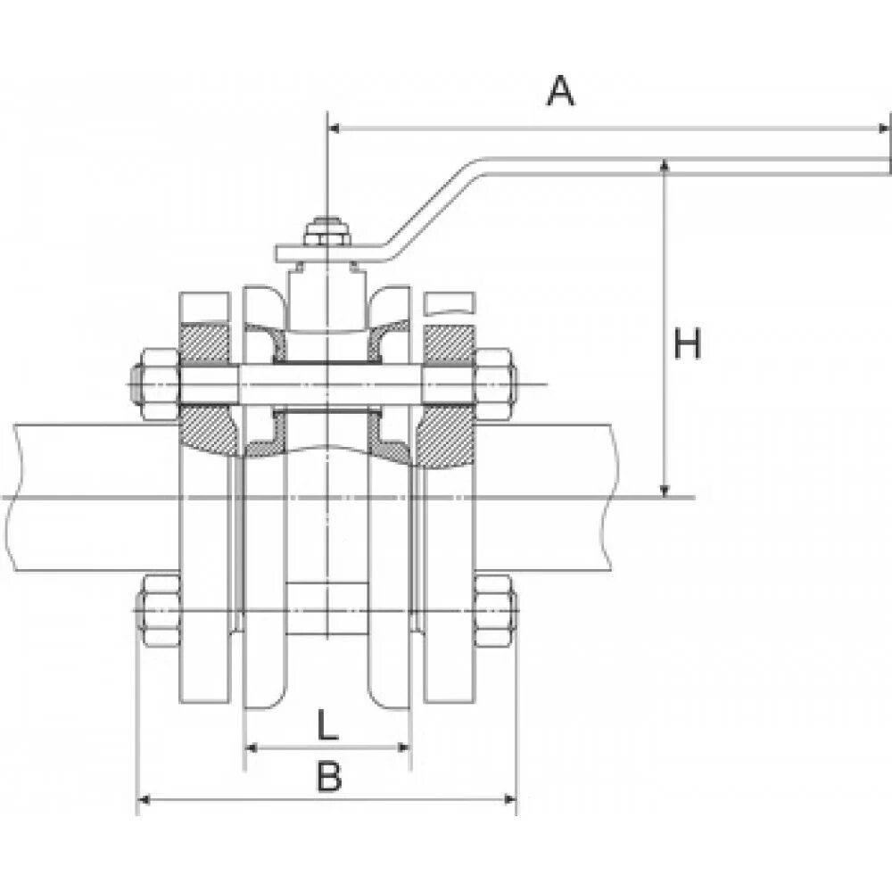
Кран диаметр 60