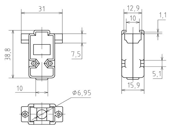
Корпус dp 9