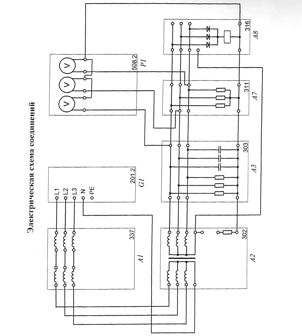
Контроль изоляции сети