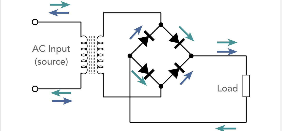
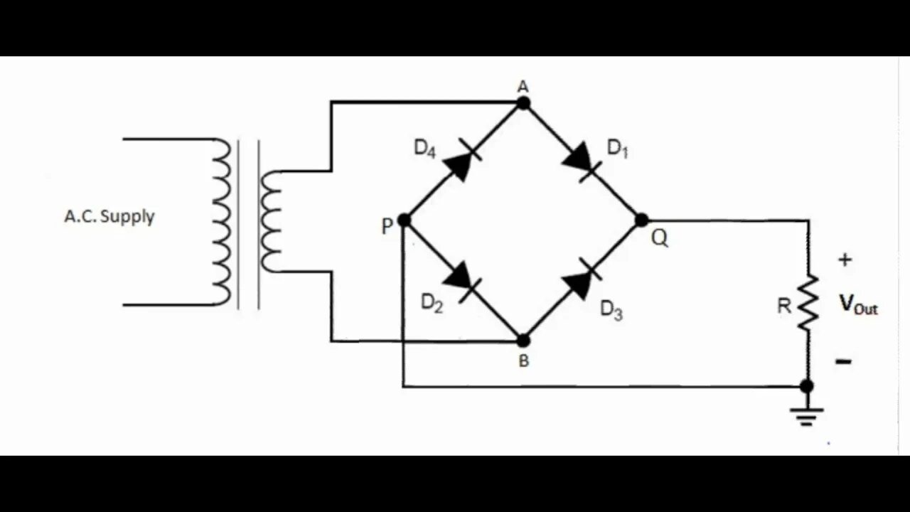
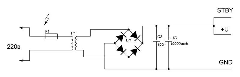
Конденсаторы после диодного моста