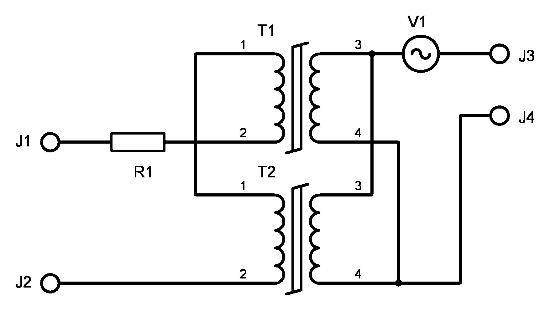
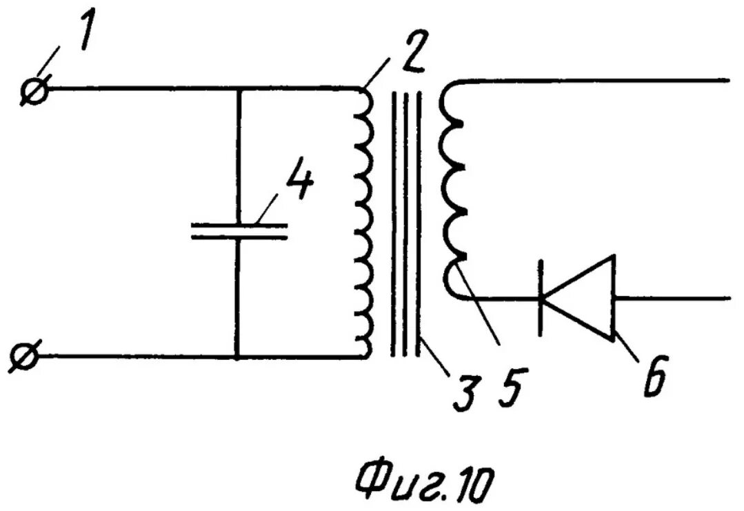
Колебательный контур трансформатор