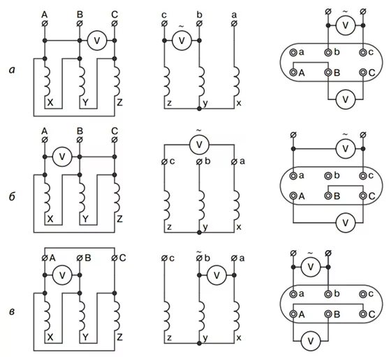
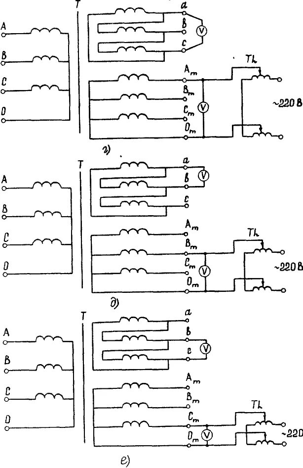
Коэффициент трансформации трансформатора схема